Ikhtisar Singkat
Kami katup kupu-kupu yang dioperasikan dengan roda gigi adalah solusi kontrol aliran yang dioperasikan secara manual yang dirancang untuk jaringan pipa di mana persyaratan ukuran katup, tekanan, atau torsi melebihi batas tuas tangan sederhana. Dengan menggunakan mekanisme roda gigi cacing, katup ini memungkinkan pengoperasian yang mulus dan presisi dengan sedikit usaha. Di Katup Vcore, katup kupu-kupu yang dioperasikan dengan roda gigi dirancang untuk ketahanan, keamanan, dan kinerja jangka panjang di seluruh sistem air, air limbah, listrik, dan proses industri.
Skenario Situs Praktis
“Katupnya terlalu besar untuk dioperasikan dengan aman menggunakan tangan.”
“Maka solusi yang dioperasikan dengan roda gigi adalah satu-satunya jawaban yang masuk akal.”
Ini adalah momen umum dalam sistem berdiameter besar atau bertekanan tinggi, di mana katup kupu-kupu manual dengan tuas tidak dapat menghasilkan pengoperasian yang terkendali dan aman.
Poin Masalah Pengguna dalam Pengoperasian Katup Manual
Torsi Pengoperasian Berlebihan
Katup besar memerlukan torsi tinggi, sehingga pengoperasian tuas menjadi tidak aman atau tidak praktis.
Akurasi Kontrol Aliran yang Buruk
Pergerakan tuas yang cepat dapat menyebabkan water hammer atau kondisi proses yang tidak stabil.
Masalah Keselamatan Operator
Gerakan tiba-tiba atau bantingan selama pengoperasian dapat menyebabkan cedera.
Solusi Praktis dan Rekomendasi Teknik
Pengurangan Worm Gear untuk Kontrol Torsi
A katup kupu-kupu yang dioperasikan dengan roda gigi menggunakan keunggulan mekanis untuk mengurangi kekuatan operasi secara dramatis.
Operasi Terkendali dan Bertahap
Mekanisme roda gigi memungkinkan pembukaan dan penutupan yang lambat dan tepat, sehingga meningkatkan stabilitas sistem.
Desain yang Dapat Dikunci dan Diposisikan
Kebanyakan gearbox menyertakan indikator posisi dan fitur penguncian untuk mencegah pengoperasian yang tidak disengaja.
Apa itu Butterfly Valve yang Dioperasikan dengan Roda Gigi?
Kami katup kupu-kupu yang dioperasikan dengan roda gigi adalah katup kupu-kupu yang dilengkapi dengan roda gigi cacing, bukan tuas tangan. Gearbox mengubah beberapa putaran roda tangan menjadi putaran cakram katup yang terkontrol, memungkinkan pengoperasian yang lancar bahkan dalam keadaan hidup berdiameter besar katup kupu-kupu.
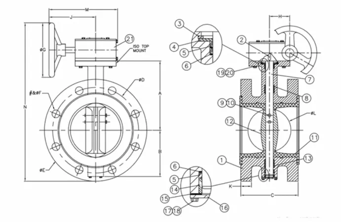
Komponen Utama
-
Badan katup kupu-kupu
-
Disk dan tempat duduk
-
Gearbox roda gigi cacing
-
Handwheel dengan indikator posisi
Desain ini banyak digunakan ketika otomatisasi tidak diperlukan tetapi pengoperasian manual yang terkontrol sangat penting.

Katup Kupu-kupu yang Dioperasikan dengan Gigi vs. Katup Kupu-Kupu yang Dioperasikan dengan Tuas
| Fitur | Tuas Dioperasikan | Gigi Dioperasikan |
|---|---|---|
| Ukuran katup yang sesuai | Kecil – sedang | Sedang–besar |
| Penanganan torsi | Terbatas | Luar biasa |
| Kontrol aliran | Dasar | Tepat |
| Keamanan operator | Sedang | Tinggi |
Untuk pipa di atas DN200 (8”), katup kupu-kupu roda gigi cacing sering kali menjadi pilihan utama.

Jenis Katup Kupu-Kupu yang Dioperasikan dengan Roda Gigi
Jenis Wafer
Ringkas dan ringan, ideal untuk saluran pipa dengan ruang terbatas.
Tipe Lug
Memungkinkan layanan end-of-line dan pemeliharaan lebih mudah.
Tipe Bergelang
Memberikan kekuatan dan keselarasan maksimum untuk aplikasi tugas berat.
Setiap konfigurasi tersedia dari Katup Vcore dengan rasio roda gigi yang disesuaikan.
Studi Kasus dan Contoh Industri
Kasus 1: Jaringan Pasokan Air Kota
DN600 kami katup kupu-kupu yang dioperasikan dengan roda gigi dipasang untuk isolasi jalur utama.
Hasil:
-
Kontrol operator tunggal yang aman
-
Mengurangi risiko guncangan pipa
-
Peningkatan akses pemeliharaan
Kasus 2: Sistem Pendingin Pembangkit Listrik
Katup yang dioperasikan dengan roda gigi dengan dudukan logam digunakan untuk air pendingin bersuhu tinggi.
Hasil:
-
Penyegelan yang andal
-
Pengoperasian yang lancar di bawah ekspansi termal
Data Rekayasa dan Analisis Kinerja
Gearbox biasanya memberikan rasio reduksi antara 20:1 dan 80:1, tergantung pada ukuran katup dan kebutuhan torsi. Hal ini secara signifikan menurunkan gaya yang dibutuhkan pada handwheel sekaligus menjaga stabilitas cakram.
Dibandingkan dengan pengoperasian tuas, pengoperasian roda gigi mengurangi upaya operator hingga 70% pada katup berukuran besar, menjadikannya solusi pilihan untuk katup kupu-kupu industri.
Tren Pasar dan Wawasan Industri
-
Meningkatnya permintaan akan infrastruktur pipa berdiameter besar
-
Penggunaan katup manual secara terus-menerus di lokasi terpencil atau terbatas daya
-
Peningkatan fokus pada keselamatan operator dan desain ergonomis
-
Preferensi untuk pengoperasian roda gigi sebagai alternatif otomatisasi dalam aplikasi siklus rendah
Meskipun ada pertumbuhan otomatisasi, katup kupu-kupu yang dioperasikan dengan roda gigi tetap penting di banyak industri.
Rekomendasi Seleksi dan Penggunaan
-
Pilih katup dengan dudukan yang tangguh untuk sistem air dan HVAC
-
Pilih desain dudukan logam untuk suhu tinggi atau media abrasif
-
Konfirmasikan peringkat IP gearbox untuk pemasangan di luar ruangan
-
Pastikan akses yang jelas ke handwheel dan indikator posisi

Kesimpulan
Katup kupu-kupu yang dioperasikan dengan roda gigi kami menawarkan keseimbangan sempurna antara kesederhanaan manual dan pengoperasian terkontrol. Ini memberikan keamanan, presisi, dan keandalan ketika pengoperasian tuas tidak lagi praktis.
Di Katup Vcore, katup kupu-kupu kami yang dioperasikan dengan roda gigi dirancang untuk lingkungan yang menuntut—kotak roda gigi yang kuat, permesinan yang presisi, dan kinerja penyegelan yang telah terbukti.
👉 Hubungi Vcore Valve hari ini untuk memilih katup kupu-kupu yang dioperasikan dengan roda gigi yang tepat untuk proyek Anda.
FAQ
Kapan sebaiknya katup kupu-kupu yang dioperasikan dengan roda gigi digunakan?
Ketika ukuran katup atau torsi membuat pengoperasian tuas menjadi tidak aman atau sulit.
Apakah katup kupu-kupu yang dioperasikan dengan roda gigi dapat dikunci pada posisinya?
Ya, sebagian besar girboks dilengkapi mekanisme penguncian atau fitur gembok.
Apakah cocok untuk pelambatan?
Ya, gearbox memungkinkan penyesuaian aliran yang presisi.
Bahan apa saja yang tersedia?
Besi ulet, baja karbon, baja tahan karat, dengan berbagai bahan dudukan.
Apakah mereka memerlukan perawatan yang sering?
Tidak, girboks biasanya tertutup rapat dan memerlukan perawatan minimal.
Apakah Vcore Valve menawarkan rasio roda gigi khusus?
Ya, rasio roda gigi dapat disesuaikan berdasarkan kebutuhan torsi.
Referensi
-
AWWA C504 – Katup Kupu-Kupu Berdudukan Karet
-
AWWA C516 – Standar Katup Diameter Besar
-
ASME B16.34 – Peringkat Tekanan dan Suhu Katup
-
ISO 5211 – Antarmuka Aktuasi Katup
-
Asosiasi Produsen Katup (VMA)
-
Pedoman Mekanik Industri Air
