Aperçu rapide
Le double demi-arbre vanne papillon noté à 150LB est conçu pour les projets où le contrôle des coûts, la fiabilité structurelle et les performances d'étanchéité stables doivent être équilibrés. Fabriqué par Vanne Vcore, cette configuration de vanne est largement appliquée dans les systèmes d'approvisionnement en eau, de CVC et de canalisations industrielles générales. En optimisant la structure de l'arbre et en réduisant l'utilisation inutile de matériaux, il offre un contrôle fiable des fluides à un prix compétitif.

Un scénario du monde réel
« Existe-t-il une vanne papillon qui répond aux exigences de la classe 150 sans gonfler le budget ?
Cette question vient fréquemment des entrepreneurs et des chefs de projet. Dans de nombreux cas, la réponse ne réside pas dans la qualité de la découpe, mais dans le choix d’un design plus intelligent. Le vanne papillon à double demi-arbre est conçu précisément dans ce but : efficace, pratique et économique.
Principaux défis rencontrés par les utilisateurs
Coûts d'approvisionnement élevés
Les vannes papillon traditionnelles à arbre plein impliquent souvent une consommation de matériaux et une complexité d'usinage plus élevées.
Déséquilibre structurel dans les vannes à faible coût
Certaines vannes bon marché souffrent d'un mauvais alignement des disques et d'une répartition inégale du couple, entraînant des risques de fuite.
Conformité constante à la classe 150
Les utilisateurs ont besoin vannes papillon 150LB qui répondent de manière fiable aux normes de pression sans sacrifier la durée de vie.
Solutions pratiques offertes par Vcore Valve
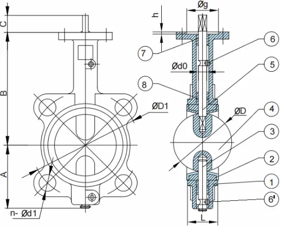
Conception optimisée à double demi-arbre
La structure à double demi-arbre soutient le disque des deux côtés, améliorant ainsi la stabilité pendant le fonctionnement.
Complexité de fabrication réduite
Des arbres plus courts et un usinage simplifié réduisent les coûts tout en préservant l'intégrité mécanique.
Options d'installation flexibles
Disponible en vanne papillon à plaquettes et vanne papillon à ergot types, adaptés à diverses configurations de pipelines.

Exemples de cas d'application
Conduite d'eau municipale
Dans un projet régional de distribution d'eau, vannes papillon 150LB avec des vannes à double demi-arbre remplacées, réduisant ainsi le temps d'installation et le coût global du système.
Système CVC commercial
Un grand bâtiment commercial adopté vannes papillon à siège résilient, permettant un fonctionnement plus fluide et des exigences de couple d'actionneur inférieures.
Comparaison technique et données de performances
| Paramètre | Vanne papillon à arbre complet | Vanne papillon à double demi-arbre |
|---|---|---|
| Consommation de matériaux | Plus haut | Inférieur |
| Équilibre structurel | Norme | Amélioré |
| Coût de fabrication | Plus haut | Plus économique |
| Pression nominale | Classe 150 | Classe 150 |
| Applications typiques | Industriel | Eau et CVC |
D'un point de vue technique, le vanne papillon à double demi-arbre fournit une solution rationnelle pour vanne de régulation de fluide systèmes fonctionnant dans des conditions de pression modérée.

Tendances du marché et perspectives de l’industrie
La demande de vanne papillon à faible coût solutions continue de croître, notamment dans les projets d’infrastructures et de services du bâtiment. Les acheteurs se concentrent de plus en plus sur le coût total du cycle de vie plutôt que sur le prix d’achat initial. Ce changement de marché favorise fortement les conceptions optimisées comme le vanne papillon à double demi-arbre, où l'efficacité rencontre la fiabilité.
Recommandations de sélection et d'utilisation
Ce type de vanne est idéal pour :
-
Systèmes d’eau potable et de traitement des eaux usées
-
Conduites de circulation CVC
-
Contrôle général des fluides industriels
Il est particulièrement adapté aux fluides non abrasifs et aux environnements sous pression de classe 150.

Conclusion
Le vanne papillon double demi-arbre 150LB démontre qu’une ingénierie intelligente peut réduire considérablement les coûts sans compromettre les performances. En tant qu'expérimenté fabricant de vanne papillon, Vanne Vcore fournit des solutions fiables et orientées applications pour les projets mondiaux.
Si vous évaluez des vannes papillon rentables pour votre prochain projet, notre équipe technique est prête à vous aider.
Contactez Vcore Valve dès aujourd’hui pour des spécifications et des devis détaillés.
FAQ
Q1 : Quel est l’avantage d’une vanne papillon à double demi-arbre ?
Il améliore l'équilibre des disques tout en réduisant les coûts de matériaux et de production.
Q2 : Une vanne papillon de 150 LB est-elle adaptée aux systèmes CVC ?
Oui, il est couramment utilisé dans les conduites d’eau réfrigérée et chaude.
Q3 : Quels matériaux de siège sont disponibles ?
Des options EPDM, NBR et PTFE sont disponibles.
Q4 : Cette vanne peut-elle être automatisée ?
Oui, il prend en charge les actionneurs électriques et pneumatiques.
Q5 : Prend-il en charge le scellement bidirectionnel ?
Oui, lorsqu'il est équipé d'un siège élastique.
Q6 : Est-il adapté aux applications à haute pression ?
Il est conçu spécifiquement pour les conditions de pression de classe 150.
