Bronze Angle Valve
Product Overview
The Vcore Valve Bronze Angle Valve is engineered to provide dependable shut-off control in plumbing and utility piping systems where space efficiency, durability, and leak-free performance are essential. Designed with a compact 90-degree configuration, this valve allows smooth redirection of flow while offering precise on-off control at fixture connection points.
Drawing inspiration from proven market designs and refining them through material selection and manufacturing discipline, this angle valve represents a practical upgrade over conventional shut-off valves. It is suitable for residential, commercial, and light industrial applications where long service life and stable performance are expected.
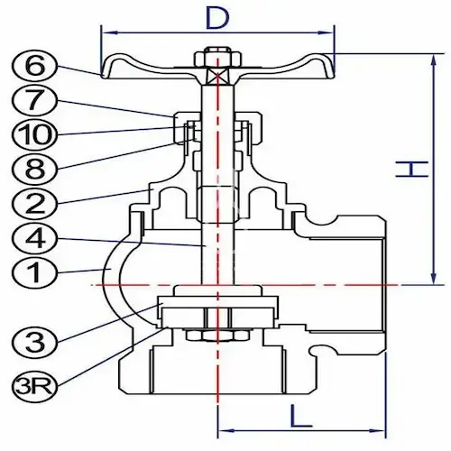
Material & Construction Excellence
Premium Bronze Valve Body
The valve body is manufactured from high-grade bronze alloy, selected for its excellent resistance to corrosion, dezincification, and mineral buildup. Compared with standard brass alternatives, bronze offers enhanced structural stability and is better suited for long-term exposure to water, humidity, and temperature variations.
Precision Machined Internal Components
Critical internal surfaces are machined with tight tolerances to ensure smooth operation and consistent sealing. The valve stem is produced from corrosion-resistant metal, providing high strength and resistance to wear even after repeated operation cycles.
Reliable Sealing System
High-quality sealing materials such as PTFE or elastomer seals are used to minimize friction and ensure tight shut-off. This design helps prevent leakage during long-term use, even under fluctuating pressure conditions.
Functional Design Advantages
90-Degree Angle Configuration
The angled structure allows for easy installation in confined spaces, especially where water supply lines exit walls or floors. This eliminates the need for additional fittings and reduces installation complexity.
Smooth Manual Operation
The valve is designed for effortless manual control. The handle offers a comfortable grip and stable torque, enabling users to open or close the valve quickly without excessive force.
Compact and Clean Appearance
With a streamlined body profile and refined surface finish, the valve integrates well into both visible and concealed installations, maintaining a neat and professional appearance.
Technical Specifications
| Item | Description |
|---|---|
| Valve Type | Bronze Angle Shut-Off Valve |
| Body Material | High-Grade Bronze Alloy |
| Stem Material | Corrosion-Resistant Metal |
| Seal Material | PTFE / Elastomer |
| Media | Water, Gas, Non-Corrosive Fluids |
| Pressure Rating | Suitable for standard residential and commercial plumbing |
| Temperature Range | -10°C to 120°C |
| Connection Type | BSP / NPT Threaded |
| Available Sizes | 1/2″, 3/4″, 1″ (custom sizes available) |
| Operation | Manual |
| Installation Orientation | Angle / 90 Degree |
Typical Applications
-
Residential Plumbing Systems
Commonly used under sinks, behind toilets, and at appliance water connections to allow localized shut-off during maintenance or emergencies. -
Commercial Buildings
Suitable for offices, hotels, and public facilities where dependable fixture isolation is required. -
HVAC & Utility Lines
Can be applied in auxiliary water lines and service connections where compact shut-off control is needed. -
Light Industrial Installations
Used in non-corrosive fluid lines requiring reliable manual isolation and long service life.
Performance & Reliability
Each Vcore Valve Bronze Angle Valve is designed with practical field use in mind. The robust bronze construction resists cracking, deformation, and corrosion, while the internal sealing system maintains consistent performance through thousands of open-close cycles. This combination reduces maintenance frequency and helps avoid unexpected leakage, contributing to overall system reliability.
Why This Angle Valve Stands Out
Rather than focusing only on appearance or cost, this product is built around material integrity, structural strength, and functional reliability. The balance between compact design and robust construction makes it a dependable choice for installers and end users alike.
Whether used in a home renovation project or a commercial plumbing installation, the Vcore Valve Bronze Angle Valve delivers confidence through solid engineering and proven materials.

Performance & Reliability