صمام الكرة الأنبوبي الذي يتم تشغيله بالهواء المضغوط
نظرة عامة على الإنتاج
ال الأنابيب التي تعمل بالهواء المضغوط صمام الكرة من صمامات فيكور هو صمام عالي الأداء مصمم لتحقيق الكفاءة التحكم في التدفق في أنظمة السوائل. يضم أ المحرك الهوائييقدم هذا الصمام التشغيل الآليمما يجعلها مثالية للتطبيقات حيث التحكم عن بعد أو تشغيل عالي السرعة ضروري. الصمام تصميم الكرة يضمن تنظيم التدفق الدقيق، و المحرك الهوائي يسمح بفتح وإغلاق سريع وموثوق بأقل قدر من التدخل البشري.
الميزات الرئيسية
-
المحرك الهوائي - تمكين التشغيل الآلي، مما يقلل الحاجة إلى التحكم اليدوي ويزيد من كفاءة النظام
-
تصميم كروي كامل التجويف – يزيد من قدرة التدفق مع الحد الأدنى من انخفاض الضغط، مما يضمن الأداء الأمثل في التطبيقات عالية التدفق
-
البناء الدائم – مصنوعة من مواد مقاومة للتآكل مثل الفولاذ المقاوم للصدأ وسبائك الفولاذ لأداء طويل الأمد
-
ختم موثوق – يتميز بنظام إغلاق عالي الجودة يمنع التسرب تحت ظروف الضغط ودرجة الحرارة العالية
-
تصميم مدمج - موفر للمساحة، مما يجعله مثاليًا للتطبيقات ذات مساحة التثبيت المحدودة
-
تطبيقات متعددة الاستخدامات – مناسب لأنظمة المياه والنفط والغاز والمواد الكيميائية والبخار
-
القدرة على التحكم عن بعد - مشغل هوائي يسمح بالتشغيل عن بعد، وهو مثالي للأنظمة الآلية
-
صيانة منخفضة - تصميم بسيط وقوي يقلل من الحاجة إلى الصيانة المتكررة أو استبدال الأجزاء
-
الامتثال للمعايير العالمية - تم تصنيعه وفقًا لمعايير ANSI وAPI وISO وAWWA

المواصفات الفنية
| البند | الوصف |
|---|---|
| نوع الصمام | صمام الكرة الأنبوبي الذي يتم تشغيله بالهواء المضغوط |
| مادة الجسم | الفولاذ المقاوم للصدأ (304، 316)، الفولاذ الكربوني (A105، WCB)، سبائك الصلب (F22) |
| مادة الكرة | الفولاذ المقاوم للصدأ (304، 316)، النحاس |
| مادة المقعد | PTFE، نظرة خاطفة، مقعد معدني (304، 316 الفولاذ المقاوم للصدأ) |
| المواد الجذعية | الفولاذ المقاوم للصدأ (304، 316) |
| طلاء | الايبوكسي المرتبط بالانصهار (FBE)، طلاء مضاد للتآكل |
| نطاق الحجم | DN15 – DN1200 (½ بوصة – 48 بوصة) |
| تصنيف الضغط | PN10 / PN16 / PN25 / 150 رطل |
| تصنيف درجة الحرارة | -20 درجة مئوية إلى +200 درجة مئوية (مقعد PTFE)، حتى 350 درجة مئوية (مقعد معدني) |
| نوع الاتصال | ذات حواف (ANSI B16.34)، ملولبة، ملحومة بعقب، ملحومة بالمقبس |
| خيارات التشغيل | هوائي (مفرد أو مزدوج)، يدوي، مشغل كهربائي |
| نوع المقعد | مقعد ناعم (PTFE، EPDM)، مقعد معدني (304، 316 فولاذ مقاوم للصدأ) |
| التطبيق | المياه، النفط، الغاز، المواد الكيميائية، التدفئة والتهوية وتكييف الهواء، البخار، خطوط الأنابيب الصناعية |
| الامتثال للمعايير | API 6D، ISO 9001، ANSI B16.34، AWWA C507 |
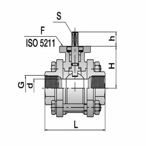
الأبعاد الرئيسية والوزن
| DN (مم) | لتر (مم) | ح (مم) | ث (مم) | الوزن (كجم) |
|---|---|---|---|---|
| 15 | 120 | 150 | 80 | 3.0 |
| 20 | 130 | 160 | 90 | 3.5 |
| 25 | 140 | 180 | 100 | 4.0 |
| 40 | 160 | 220 | 120 | 7.0 |
| 50 | 180 | 240 | 130 | 9.0 |
| 80 | 220 | 280 | 160 | 15.0 |
| 100 | 240 | 300 | 180 | 20.0 |
| 150 | 280 | 350 | 200 | 30.0 |
وظيفة
ال صمام الكرة الأنبوبي الذي يتم تشغيله بالهواء المضغوط تعمل باستخدام أ المحرك الهوائي للتحكم في دوران الكرة داخل جسم الصمام. يقوم المشغل بفتح أو إغلاق الصمام الكروي بطريقة بسيطة بدوره 90 درجة، مما يتيح التنظيم الدقيق لتدفق السوائل. ال تصميم كروي كامل التجويف يسمح بتدفق السوائل بشكل غير مقيد عندما يكون الصمام مفتوحًا، مما يقلل من انخفاض الضغط، بينما نظام الختم يضمن بقاء الصمام مانعًا للتسرب عند إغلاقه.
ال المحرك الهوائي يتيح التحكم عن بعد في الصمام، وهو مثالي للأنظمة الآلية أو الأنظمة التي يصعب الوصول إليها. يتم تشغيل المحرك بواسطة الهواء المضغوط، مما يوفر عملية سريعة وموثوقة، ومتوفر في وحيد المفعول أو الفعل المزدوج التكوينات اعتمادا على التطبيق. هذا التصميم يجعله مثاليًا للتطبيقات التي تتطلب أوقات الاستجابة السريعة و الحد الأدنى من التوقف.
شيدت من مواد ذات جودة عالية مثل الفولاذ المقاوم للصدأ, الصلب الكربوني، و سبائك الفولاذ، ال صمام الكرة الأنابيب الهوائية مقاوم للتآكل، مما يضمن متانة طويلة الأمد في البيئات الصعبة. لها تصميم كروي كامل التجويف يضمن قدرة تدفق عالية، بينما ختم محكم يمنع التسرب، حتى في ظل ظروف الضغط العالي. يستخدم هذا الصمام على نطاق واسع في صناعات مثل المعالجة الكيميائية, النفط والغاز, معالجة المياه، و التدفئة والتهوية وتكييف الهواء للتحكم في تدفق السوائل بدقة وسهولة.
التطبيق
-
المعالجة الكيميائية – التحكم في تدفق المواد الكيميائية والمذيبات والأحماض في المصانع
-
النفط والغاز – تنظيم التدفق في أنظمة خطوط الأنابيب العليا والوسطى والنهائية
-
معالجة المياه – عزل وتنظيم تدفق المياه في أنظمة الترشيح والمعالجة
-
أنظمة التدفئة والتهوية وتكييف الهواء – التحكم في تدفق المياه المبردة أو الساخنة في المباني التجارية والصناعية
-
أنظمة البخار – تنظيم التدفق في خطوط أنابيب البخار للتطبيقات الصناعية ومحطات الطاقة
-
الأطعمة والمشروبات – التحكم في التدفق في خطوط إنتاج وتوزيع السوائل للأغذية والمشروبات
-
المستحضرات الصيدلانية – تنظيم التدفق في خطوط إنتاج الأدوية للتحكم الدقيق في المواد الكيميائية والسوائل
-
الأنظمة الصناعية - تنظيم التدفق وعزله في مجموعة واسعة من خطوط الأنابيب الصناعية وأنظمة العمليات